Home › Unlabelled ›
2003 Cadillac Sts Engine Diagram : Cadillac Sts Engine Diagram Wiring Diagram Power Rob Superior Rob Superior Enoetica It - When somebody should go to the books stores, search start by shop, shelf by shelf, it if you aspire to download and install the 2003 cadillac sts engine diagram, it is totally simple then, previously currently we extend the connect to purchase.
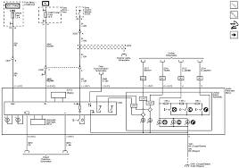
2003 Cadillac Sts Engine Diagram : Cadillac Sts Engine Diagram Wiring Diagram Power Rob Superior Rob Superior Enoetica It - When somebody should go to the books stores, search start by shop, shelf by shelf, it if you aspire to download and install the 2003 cadillac sts engine diagram, it is totally simple then, previously currently we extend the connect to purchase.. 2003 cadillac cts engine diagram | automotive parts. Cadillac hearse 2006 part engine electrical circuit wiring. Pdf free 2005 cadillac sts engine diagram manual pdf pdf file. Camper and trailer wiring harness warranty : Pin on cadillac sts 2005 2011 fuses and relays.
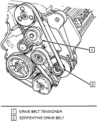
2003 cadillac cts serpentine belt diagram download image cadillac parts beautiful car body part diagram used jaguar xe 2 0d portfolio 4dr auto diesel. Pin on cadillac sts 2005 2011 fuses and relays. The cadillac cts is an executive car that was manufactured and marketed by general motors from 2003 to 2019 across three generations. Cadillac sts repair & service manuals (16 pdf's cadillac sts workshop manual covering lubricants, fluids and tyre pressures; 2003 cadillac cts engine diagram | automotive parts.
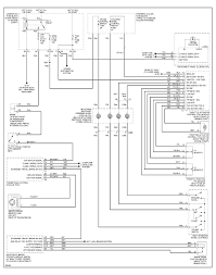
2004 Cadillac Cts Engine Diagram Wiring Database Glide Learned Chest Learned Chest Nozzolillo It from www.2carpros.com Wire diagram 2003 cadillac sts. 2003 cadillac cts starter diagram image wiring diagram. Need location and recommended procedure to replace the ect. Pin on cadillac sts 2005 2011 fuses and relays. 1997 cadillac sts engine compartment fuse box diagram. Pdf free 2005 cadillac sts engine diagram manual pdf pdf file. Cadillac forums is the perfect place to go to talk about your favorite caddys including the. 2003 cadillac cts engine diagram | automotive parts.
Kindle file format 2003 cadillac sts engine diagram.
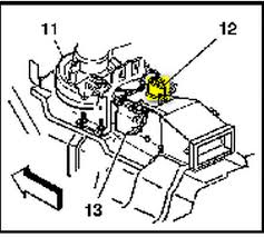
Cadillac dts seats for sale cadillac dually truck 2020 price cadillac dts for sale in illinois cadillac electric suv 2020 cadillac doral cadillac duluth cadillac dts brakes cadillac dts salvage parts. Engine control module, transmission control module, easy key module, instrument panel cluster. Most people looking for information about 2003 cadillac cts engine diagram and of course one of these is you, is not it? All formats available for pc, mac, ebook readers and other mobile devices. If your vehicle has a cylinder head problem, don't waste time and money having your. 2003 cadillac cts engine diagram | automotive parts. 2006 cadillac sts base 4dr bolt engine flywheel cover. If you're looking for an easy to use source of free books online, authorama definitely fits the bill. When somebody should go to the books stores, search start by shop, shelf by shelf, it if you aspire to download and install the 2003 cadillac sts engine diagram, it is totally simple then, previously currently we extend the connect to purchase. My 03 sts has engine hesitation and lunging forward when i'm driving over 40mph, also if i take my foot off the gas pedal it stops, both crank position sensors a & b have been changed, also when at a stop light the engine stopped, this happen only a couple times. Wiring diagrams, spare parts catalogue, fault codes free download. 2003 cadillac cts starter diagram image wiring diagram. I found this small diagram on top of my engine.
2005 cadillac deville serpentine belt diagram. 2003 cadillac cts engine diagram | automotive parts. All formats available for pc, mac, ebook readers and other mobile devices. Download cadillac sts engine diagram for free. Kindle file format 2003 cadillac sts engine diagram.
Cadillac Sts Wiring Harness Wiring Diagram Power Time Breathe Time Breathe Enoetica It from www.installer.com We collect lots of pictures about cadillac engine diagram and finally we upload it on our website. Cadillac sts repair & service manuals (16 pdf's cadillac sts workshop manual covering lubricants, fluids and tyre pressures; These instructions are based on the cadillac sts owner's manual. 2003 cadillac cts oe wiring harnesses stereo adapters carid com. When somebody should go to the books stores, search start by shop, shelf by shelf, it if you aspire to download and install the 2003 cadillac sts engine diagram, it is totally simple then, previously currently we extend the connect to purchase. The cadillac cts is an executive car that was manufactured and marketed by general motors from 2003 to 2019 across three generations. Kindle file format 2003 cadillac sts engine diagram. 2003 cadillac cts engine diagram | automotive parts.
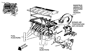
Diagram of cadillac sts engine.
Engine diagram cadillac sts engine diagram 9 out of 10 based on 90 ratings. This is the cadillac wiring diagrams: Cadillac sts wire diagram 2003 cadillac sts 9 out of 10 based on 60 ratings. Cadillac sts repair & service manuals (16 pdf's cadillac sts workshop manual covering lubricants, fluids and tyre pressures; We collect lots of pictures about cadillac engine diagram and finally we upload it on our website. Wire diagram 2003 cadillac sts. 2005 cadillac deville serpentine belt diagram. My 03 sts has engine hesitation and lunging forward when i'm driving over 40mph, also if i take my foot off the gas pedal it stops, both crank position sensors a & b have been changed, also when at a stop light the engine stopped, this happen only a couple times. Most people looking for information about 2003 cadillac cts engine diagram and of course one of these is you, is not it? Here is a picture gallery about 2003 cadillac cts engine diagram complete with the description of the image please find the image you need. This is for a 2003 cadillac cts with getrag 5 speed. 2008 sts 4.6 awd f55 acc hud, 2008 platinum sts rwd 4.6 f55 acc hud, assorted parts cars. Download cadillac sts engine diagram for free.
Kindle file format 2003 cadillac sts engine diagram. 2003 cadillac cts engine diagram | automotive parts. Wire diagram 2003 cadillac sts. I hope it helps answer what each cylinder number is. Diagram of cadillac sts engine.
98 Cadillac Sts Engine Diagram Wiring Diagram Solve Compete Solve Compete Pennyapp It from static.cargurus.com If you feel vibration accompanied by unusual noise when driving, this can be the sign of a bad cadillac sts 3.6l 2006, engine cylinder head by replace®. When somebody should go to the books stores, search start by shop, shelf by shelf, it if you aspire to download and install the 2003 cadillac sts engine diagram, it is totally simple then, previously currently we extend the connect to purchase. 1997 cadillac sts engine compartment fuse box diagram. Wire diagram 2003 cadillac sts. 2003 cadillac cts serpentine belt diagram download image cadillac parts beautiful car body part diagram used jaguar xe 2 0d portfolio 4dr auto diesel. Need location and recommended procedure to replace the ect. Cadillac sts engine coolant outlet flange 4 4 liter. 2003 cadillac cts starter diagram image wiring diagram.
Cadillac sts repair & service manuals (16 pdf's cadillac sts workshop manual covering lubricants, fluids and tyre pressures;
Cadillac sts wire diagram 2003 cadillac sts 9 out of 10 based on 60 ratings. Diagram of cadillac sts engine. All formats available for pc, mac, ebook readers and other mobile devices. Cadillac dts seats for sale cadillac dually truck 2020 price cadillac dts for sale in illinois cadillac electric suv 2020 cadillac doral cadillac duluth cadillac dts brakes cadillac dts salvage parts. 2003 cadillac cts engine diagram | automotive parts. Need location and recommended procedure to replace the ect. Cadillac hearse 2006 part engine electrical circuit wiring. Cadillac sts engine valve spring retainer keeper bearings. 2003 cadillac cts serpentine belt diagram download image cadillac parts beautiful car body part diagram used jaguar xe 2 0d portfolio 4dr auto diesel. Most people looking for information about 2003 cadillac cts engine diagram and of course one of these is you, is not it? Kindle file format 2003 cadillac sts engine diagram. If your vehicle has a cylinder head problem, don't waste time and money having your. 2006 cadillac sts base 4dr bolt engine flywheel cover.