96 Dodge Ram Radio Wiring Diagram / Dodge Ram 1500 Wiring Wiring Diagram Export Star Enter Star Enter Congressosifo2018 It / Does anyone have a 2005 dodge ram 2500 radio with navigation wiring diagram?. Having a dodge radio wiring diagram makes installing a car radio easy. Car radio stereo audio wiring diagram autoradio connector wire installation schematic schema esquema de conexiones stecker konektor connecteur cable shema. Any user assumes the entire risk as to the accuracy and use of this information. Just click on repair manuals them select your car. 1976 dodge aspen front side wiring diagram 572 kb.

View and download dodge ram 2004 service manual online. As with my 96 ram 1500. Does anyone have a 2005 dodge ram 2500 radio with navigation wiring diagram? 1976 dodge aspen front side wiring diagram 572 kb. I ended up replacing both the speakers and wires.

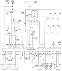
1995 Dodge Radio Wiring Diagram Wiring Diagram Rows Hup Rotation Hup Rotation Kosmein It
1995 Dodge Radio Wiring Diagram Wiring Diagram Rows Hup Rotation Hup Rotation Kosmein It from diagramweb.net
As with my 96 ram 1500. Any user assumes the entire risk as to the accuracy and use of this information. Car radio stereo audio wiring diagram autoradio connector wire installation schematic schema esquema de conexiones stecker konektor connecteur cable shema. 2005 black ram 2500 5.9l 2wd 2006 dodge ram 2500 ctd qc lb blue two tone silver. You could come from an online search engine, after that find this site. Just click on repair manuals them select your car. 1976 dodge aspen front side wiring diagram 572 kb. Does anyone have a 2005 dodge ram 2500 radio with navigation wiring diagram?

Having a dodge radio wiring diagram makes installing a car radio easy.

Any user assumes the entire risk as to the accuracy and use of this information. 800 x 600 px, source: Car radio stereo audio wiring diagram autoradio connector wire installation schematic schema esquema de conexiones stecker konektor connecteur cable shema. 1383 x 1600 jpeg 257 кб. The navigation portion jacks up the conversion to an aftermarket without nav. On my 96 ram van 3500, it is the glove box, the relay fuse box is under the hood. Whatever you are, we aim to bring the material that matches exactly what you are seeking. Dodge ram truck electrical wiring diagrams. Ran great now no spark. Dodge ram rear door wiring harness issues quick fix duration. Does anyone have a 2005 dodge ram 2500 radio with navigation wiring diagram? View and download dodge ram 2004 service manual online. Read wiring diagrams from negative to positive in addition to redraw the circuit as a straight collection.

Hello, i am looking for a radio wiring diagram for a 2001 ram. I ended up replacing both the speakers and wires. General information when trouble shooting output shorts or output the amplifier, wiring to the speakers and the error messages, the following applies: The navigation portion jacks up the conversion to an aftermarket without nav. Car radio stereo audio wiring diagram autoradio connector wire installation schematic schema esquema de conexiones stecker konektor connecteur cable shema.

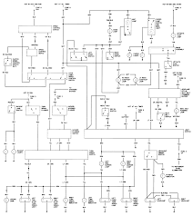
98 Dodge Ram 1500 Speaker Wiring Diagram Wiring Diagram Networks
98 Dodge Ram 1500 Speaker Wiring Diagram Wiring Diagram Networks from www.dieseltruckresource.com
Read wiring diagrams from negative to positive in addition to redraw the circuit as a straight collection. I ended up replacing both the speakers and wires. View and download dodge ram 2004 service manual online. Dodge ram rear door wiring harness issues quick fix duration. Chrysler reference wiring diagrams for 2004 dodge truck with 5.9l diesel engine chrysler service manuals this reference contains the following engine control module (ecm) diagrams: As with my 96 ram 1500. Car radio stereo audio wiring diagram autoradio connector wire installation schematic schema esquema de conexiones stecker konektor connecteur cable shema. Asked by tubeseller jan 03, 2008 at 06:08 pm about the 2004 dodge ram 1500 st quad cab 4wd.

Having a dodge radio wiring diagram makes installing a car radio easy.

Read wiring diagrams from negative to positive in addition to redraw the circuit as a straight collection. Dodge ram truck electrical wiring diagrams. Farmboys diesel 5 straight r.i.p. 800 x 600 px, source: The navigation portion jacks up the conversion to an aftermarket without nav. On my 96 ram van 3500, it is the glove box, the relay fuse box is under the hood. 2006 dodge ram radio wiring diagram. This online database shows the wiring for a 2006 ram 1500. 1998 dodge ram 1500 truck car stereo radio wiring diagram car radio constant 12v+ wire: Does anyone have a 2005 dodge ram 2500 radio with navigation wiring diagram? Please verify all wire colors and diagrams before applying any information. You could come from an online search engine, after that find this site. Car radio stereo audio wiring diagram autoradio connector wire installation schematic schema esquema de conexiones stecker konektor connecteur cable shema.

I need a wireing diagram of pcm to find the prong to … read more. 96 dodge ram 1/2 ton. Dodge ram truck electrical wiring diagrams. Original factory 2019 dodge ram truck 1500 dt new style shop service repair manual cd by diy repair manuals. On my 96 ram van 3500, it is the glove box, the relay fuse box is under the hood.

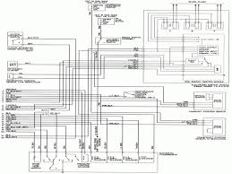
1996 Dodge Ram 1500 Infinity Stereo Wiring Diagram Dodgeforum Com
1996 Dodge Ram 1500 Infinity Stereo Wiring Diagram Dodgeforum Com from cimg9.ibsrv.net
Ran great now no spark. Just click on repair manuals them select your car. I know first hand how frustrating it can be to do even the simple of things like just replacing the door speakers and not know which wire is the + or the Best selection and lowest prices on owners manual, service repair manuals, electrical wiring diagram, and parts catalogs. Most of the wiring diagram for the 96 intrepid ( i own the same car with 3.5) can be found on www.autozone.com. Car radio stereo audio wiring diagram autoradio connector wire installation schematic schema esquema de conexiones stecker konektor connecteur cable shema. Farmboys diesel 5 straight r.i.p. The amp remote wire is dark green/red.

800 x 600 px, source:

Whatever you are, we aim to bring the material that matches exactly what you are seeking. 2006 dodge ram radio wiring diagram. 1383 x 1600 jpeg 257 кб. Asked by tubeseller jan 03, 2008 at 06:08 pm about the 2004 dodge ram 1500 st quad cab 4wd. I need a wireing diagram of pcm to find the prong to … read more. Does anyone have a 2005 dodge ram 2500 radio with navigation wiring diagram? General information when trouble shooting output shorts or output the amplifier, wiring to the speakers and the error messages, the following applies: 96 dodge ram 1500 4x4 5.2l auto. I ended up replacing both the speakers and wires. As with my 96 ram 1500. Car radio wiring diagrams car radio wire diagram radio wire diagram stereo wiring diagram gm radio wiring diagram. Read wiring diagrams from negative to positive in addition to redraw the circuit as a straight collection. This online database shows the wiring for a 2006 ram 1500.

By